Заполните форму и наши специалисты в течении 15 минут подберут для Вас подходящий элемент или его аналог!
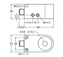
Газоанализатор сероводорода (H2S) серии GPro 500 — это уникальный высокоэффективный спектрометр на основе настраиваемого диодного лазера, предназначенный для измерения концентрации H2S в газовом потоке. Прибор работает по принципу возвращенного пути лазерного луча, что упрощает его установку и обеспечивает точное измерение содержания H2S.
Высокая эффективность измерения содержания H2S
Анализатор H2S GPro 500 для сложных условий применения обеспечивает надежное измерение в установках каталитического риформинга и при анализе коксового газа.
Низкие затраты на техническое обслуживание и эксплуатацию
Этот газоанализатор H2S предназначен для работы в газовом потоке без требующей технического обслуживания системы подготовки проб, что снижает совокупную стоимость владения.
Простая установка
Газоанализатор GPro 500 на основе TDL позволяет обойтись без юстировки и связанных с ней трудностей, обычно возникающих при установке TDL-устройств.
Газоанализатор сероводорода (H2S) серии GPro 500 — это уникальный высокоэффективный спектрометр на основе настраиваемого диодного лазера, предназначенный для измерения концентрации H2S в газовом потоке. Прибор работает по принципу возвращенного пути лазерного луча, что упрощает его установку и обеспечивает точное измерение содержания H2S.
Высокая эффективность измерения содержания H2S
Анализатор H2S GPro 500 для сложных условий применения обеспечивает надежное измерение в установках каталитического риформинга и при анализе коксового газа.
Низкие затраты на техническое обслуживание и эксплуатацию
Этот газоанализатор H2S предназначен для работы в газовом потоке без требующей технического обслуживания системы подготовки проб, что снижает совокупную стоимость владения.
Простая установка
Газоанализатор GPro 500 на основе TDL позволяет обойтись без юстировки и связанных с ней трудностей, обычно возникающих при установке TDL-устройств.
Нет отзывов об этом товаре.
Нет вопросов об этом товаре.
Способы доставки
- Доставка курьером
- Транспортная компания
- Доставка "Самовывоз"
- Доставка курьером
- Транспортная компания
- Доставка "Самовывоз"
Способы оплаты
- Безналичный расчет
- Наличными на расчетный счет через кассу Банка.
- Безналичный расчет
- Наличными на расчетный счет через кассу Банка.
Гарантия:
Гарантия на всю продукцию, поставляемую компанией "АквилаКит", равна гарантии, предоставляемой производителем на данный тип продукции.
Регионы доставки:
- Армения, все регионы
- Азербайджан, все регионы
- Беларусь:
- Брестская область
- Витебская область
- Гомельская область
- Гродненская область
- Минск
- Минская область
- Могилевская область:
- Бобруйск
- Горки
- Осиповичи
- Кричев
- Быхов
- Климовичи
- Шклов
- Костюковичи
- Мстиславль
- Чаусы
- Кировск
- Чериков
- Славгород
- Кличев
- Могилев
- Грузия, все регионы
- Казахстан, все регионы
- Кыргызстан, все регионы
- Молдова, все регионы
- Россия, все регионы
- Таджикистан, все регионы
- Туркменистан, все регионы
- Узбекистан, все регионы
Мы доставим Ваш заказ в любую точку в странах СНГ! Обращайтесь к нам!
- Армения, все регионы
- Азербайджан, все регионы
- Беларусь:
- Брестская область
- Витебская область
- Гомельская область
- Гродненская область
- Минск
- Минская область
- Могилевская область:
- Бобруйск
- Горки
- Осиповичи
- Кричев
- Быхов
- Климовичи
- Шклов
- Костюковичи
- Мстиславль
- Чаусы
- Кировск
- Чериков
- Славгород
- Кличев
- Могилев
- Грузия, все регионы
- Казахстан, все регионы
- Кыргызстан, все регионы
- Молдова, все регионы
- Россия, все регионы
- Таджикистан, все регионы
- Туркменистан, все регионы
- Узбекистан, все регионы
Мы доставим Ваш заказ в любую точку в странах СНГ! Обращайтесь к нам!
